The MiraFount 3410 holds up to 6 gallons of water and is ideal for small pigs. Featuring two lift up lids protect contaminants from entering the water while keeping the water fresh and cool in the summer, warmer in the winter.
Features include:
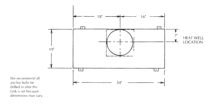
Download the Instruction Manual - Installation is key for energy free usage

